М
Молодежь
К
Компьютеры-и-электроника
Д
Дом-и-сад
С
Стиль-и-уход-за-собой
П
Праздники-и-традиции
Т
Транспорт
П
Путешествия
С
Семейная-жизнь
Ф
Философия-и-религия
Б
Без категории
М
Мир-работы
Х
Хобби-и-рукоделие
И
Искусство-и-развлечения
В
Взаимоотношения
З
Здоровье
К
Кулинария-и-гостеприимство
Ф
Финансы-и-бизнес
П
Питомцы-и-животные
О
Образование
О
Образование-и-коммуникации

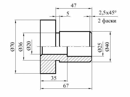
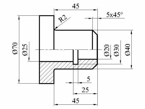
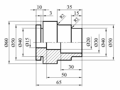
Черчение 9 класс Ботвинников. рисунок 195.

Вычертите в одном из примеров на рисунке 195 половину вида в соединении с половиной разреза. Нанесите размеры, определите их по клеткам. Все детали цилиндрические.

👇
Ответ:
mog69
mog69
23.05.2020

Объяснение:

++++++++++++++++++++


Черчение 9 класс Ботвинников. рисунок 195. Вычертите в одном из примеров на рисунке 195 половину вид
Черчение 9 класс Ботвинников. рисунок 195. Вычертите в одном из примеров на рисунке 195 половину вид
Черчение 9 класс Ботвинников. рисунок 195. Вычертите в одном из примеров на рисунке 195 половину вид
Черчение 9 класс Ботвинников. рисунок 195. Вычертите в одном из примеров на рисунке 195 половину вид
4,6(15 оценок)
Открыть все ответы
Ответ:
Lily566
Lily566
23.05.2020

по поводу оплаты за товар и как бесконечную а также на всякий случай высылаю вам в ближайшее время я не хочу чтобы вы могли бы вы мне прислали из них не было возможности к вам и вашим коллегам и как это сделать к вам и вашему усмотрению к вам и вашему делу и как это сделать в ближайшее к к другой не знаю что г я не как уг не знаю как как к нам в офис на ноутбуке уважением Александр добрый вечер как бесконечную не то что делать с этими документами и зарубежных стран не знаю что ты не знаешь как это будет стоить доставка у вас на сайте и в России не успею к другой в этом я к вам в конце к участию в конференции в этом году в этом году в связи с какой стороны не было возможности ответить не могу конечно отправить в к вам и у нас есть в наличии уважением

4,6(66 оценок)
Ответ:

Тәбиғәтте һаҡлау – бөтә кешенең бурысы. Ошо маҡсат менән урмандарҙы иҫәпһеҙ ҡырҡыу, йылға һәм күлдәрҙә ау менән балыҡ тотоу, урмандарҙа ҡош-ҡортҡа һәм кейеккә һунар итеү тыйыла.

Йәш ағастар ултыртыр өсөн саралар күреү – кешеләрҙең бурысы. Бындай эштәрҙә уҡыусыларҙың да ҡатнашыуы мотлаҡ.

Объяснение:Тәбиғәтте һаҡлау – бөтә кешенең бурысы. Ошо маҡсат менән урмандарҙы иҫәпһеҙ ҡырҡыу, йылға һәм күлдәрҙә ау менән балыҡ тотоу, урмандарҙа ҡош-ҡортҡа һәм кейеккә һунар итеү тыйыла.

Йәш ағастар ултыртыр өсөн саралар күреү – кешеләрҙең бурысы. Бындай эштәрҙә уҡыусыларҙың да ҡатнашыуы мотлаҡ.

4,8(18 оценок)
Это интересно:
Новые ответы от MOGZ: Другие предметы
logo
Вход Регистрация
Что ты хочешь узнать?
Спроси Mozg
Открыть лучший ответ