
Образование пыльних частиц происходит, по-видимому, в достаточно плотной среде при темп-рах 500- 2000 К. Этим условиям могут удовлетворять внешней части атмосфер звёзд-гигантов и сверхгигантов поздних спектр. Хим. состав образующихся пылинок определяется хим. составом газа, из к-рого они сконденсировались. Напр., в атмосферах углеродных звёзд возникают частицы из графита и карбида кремния, а в атмосферах кислородных звёзд - силикатные частицы. Это объясняется тем, что атомы О в первом случае и атомы С во втором связаны в молекулу СО, а молекулы СО не конденсироваться в пылинки. Размер тугоплавких пылинок зависит от множества факторов (в частности, от величины потери массы звездой) и может достигать десятых долей мкм. Так определяют наличие пыли в межзвездной среде
Объяснение:
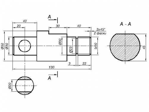
Выполнила два выносных сечения. Одно сечение расположено на продолжении следа секущей плоскости (без обозначения), а другое построено в проекционной связи с видом (А-А).
Взяла метрическую резьбу с диаметром 30 мм (М30) с крупным шагом 3,5 мм (в обозначении резьбы крупный шаг резьбы не указывают).