М
Молодежь
К
Компьютеры-и-электроника
Д
Дом-и-сад
С
Стиль-и-уход-за-собой
П
Праздники-и-традиции
Т
Транспорт
П
Путешествия
С
Семейная-жизнь
Ф
Философия-и-религия
Б
Без категории
М
Мир-работы
Х
Хобби-и-рукоделие
И
Искусство-и-развлечения
В
Взаимоотношения
З
Здоровье
К
Кулинария-и-гостеприимство
Ф
Финансы-и-бизнес
П
Питомцы-и-животные
О
Образование
О
Образование-и-коммуникации

ответьте на вопросы по чертежу. 9 класс


ответьте на вопросы по чертежу. 9 класс
ответьте на вопросы по чертежу. 9 класс

👇
Ответ:

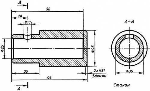
1) Стакан

2) Металл

3) 1:1 (натуральная величина)

4) Вид спереди и профильный разрез

5) Два цилиндра с разными  диаметрами оснований и разной высоты.

6) Общая форма детали представляет собой совокупность двух цилиндров, имеющих одну ось симметрии. Меньший цилиндр имеет  меньшую длину. Оба цилиндра имеют наружные фаски. Внутри двух цилиндров вдоль оси, начиная от внешней границы меньшего цилиндра, проходит цилиндрическое не сквозное отверстие с наружной фаской. Сверху в меньшем цилиндре просверлено небольшое  вертикальное цилиндрическое отверстие до пересечения с внутренним продольным отверстием.

6) Габаритные размеры меньшего цилиндра: 35х35х35.

 Габаритные размеры большего цилиндра: 95х45х45.

 Размеры продольного отверстия: 90х25х25.

 Размеры вертикального отверстия: 5х10х10.

4,4(12 оценок)
Открыть все ответы
Ответ:
Ника12040000
Ника12040000
11.09.2021
Мутуали́зм — широко распространённая форма взаимополезного сожительства, когда присутствие партнёра становится обязательным условием существования каждого из них.
нейтрализм - это такие взаимоотношения , при которых живые организмы не оказывают друг на друга никакого взаимного влияния.
Паразити́зм (от др. -греч. παράσιτος — «нахлебник» ) — один из видов сосуществования организмов. Это явление, при котором два и более организма, не связанные между собой филогенетически, генетически разнородны, сосуществуют в течение продолжительного периода времени, при этом они находятся в антагонистических отношениях.
Комменсализм — взаимоотношения между индивидами или группами разных видов, которые сосуществуют без конфликтов и без взаимо например, чешуйница обыкновенная и человек).
4,4(14 оценок)
Ответ:
SuperAlinina
SuperAlinina
11.09.2021
1) Тема несчастной любви, тема смерти.
3) Настроение - печальное, грустное, философское.
4) образы дерева,певца страдальца, детей.
5) Как я понимаю, СХВ - это средства худ. изобразительности? окей.
Присутствует здесь олицетворение (дерева), риторические вопросы, эпитеты(образные определения) Иль шуму светского волненья
Бороться с сердцем молодым? их здесь намного больше, почти в каждой строфе. Так же есть гипербола (преувеличение) вот здесь: И деревцо с моей любовью
Погибло, чтобы вновь не цвесть;
Я жизнь его купил бы кровью, 
6) Риторические фигуры... Риторический вопрос что такое - я знаю (не требующий ответа). Здесь такое есть. Вот здесь: Но как переменить, что есть?
Ужели также вдохновенье
Умрет невозвратимо с ним?
Иль шуму светского волненья
Бороться с сердцем молодым?
7) перекрестная рифмовка.
8) размер - ямб
4,6(27 оценок)
Это интересно:
Новые ответы от MOGZ: Другие предметы
logo
Вход Регистрация
Что ты хочешь узнать?
Спроси Mozg
Открыть лучший ответ