М
Молодежь
К
Компьютеры-и-электроника
Д
Дом-и-сад
С
Стиль-и-уход-за-собой
П
Праздники-и-традиции
Т
Транспорт
П
Путешествия
С
Семейная-жизнь
Ф
Философия-и-религия
Б
Без категории
М
Мир-работы
Х
Хобби-и-рукоделие
И
Искусство-и-развлечения
В
Взаимоотношения
З
Здоровье
К
Кулинария-и-гостеприимство
Ф
Финансы-и-бизнес
П
Питомцы-и-животные
О
Образование
О
Образование-и-коммуникации

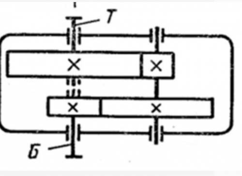
Вычисли чему равно передаточное число, если Б - это входной вал редуктора, а Т - выходной вал. Z1 = 20, Z2 = 40, Z3 = 10, Z4 = 50;


Вычисли чему равно передаточное число, если Б - это входной вал редуктора, а Т - выходной вал. Z1 =

👇
Открыть все ответы
Ответ:
swetakorchagov
swetakorchagov
18.12.2022
Во Владимиро-Суздальской земле сложилась сильная княжеская власть. Андрей Боголюбский даже отправил послов в Константинополь с просьбой учредить во Владимире отдельное патриаршество, но получил отказ. Существует версия, что этот же правитель первым стал именовать себя «царём и великим князем», поставив себя этим на один уровень с императором Византии. Как бы то ни было, после убийства Андрея Боголюбского титул не закрепился. Данные земли были колонизированы славянами лишь в XI-XII веках, причём сразу под руководством князей. Возможно по этому здесь не успели сложиться устойчивые вечевые традиции, обычай как раз предполагал подчинение монарху, хотя в начале и здесь были вече Владимира и Суздаля, но потом они потеряли своё значение.
4,4(1 оценок)
Ответ:
Дмитрий1425
Дмитрий1425
18.12.2022
Главный герой романа — молодой бо­ярин князь Никита Романович Серебря­ный появляется уже в главе 1. Он напоми­нает одного из былинных богатырей. Ав­тор очень подробно описывает его вне­шность: «Наружность князя соответство­вала его нраву. Отличительными чертами более прият­ного, чем красивого лица его были просто­сердечие и откровенность. В его темно-се­рых глазах, осененных черными ресница­ми, наблюдатель прочел бы необыкновен­ную, бессознательную и как бы неволь­ную решительность, не позволявшую ему ни на миг задуматься в минуту действия. Неровные взъерошенные брови и косая между ними складка указывали на неко­торую беспорядочность и непоследова­тельность в мыслях. Но мягко и опреде­ленно изогнутый рот выражал честную, ничем непоколебимую твердость, а улыб­ка — беспритязательное, почти детское добродушие… Серебряному было лет двадцать пять. Роста он был среднего, широк в плечах, тонок в поясе. Густые русые волосы его были светлее загорелого лица и составля­ли противоположность с темными бровя­ми и черными ресницами. Короткая боро­да, немного темнее волос, слегка оттеняла губы и подбородок». Внешность царя впервые описана в гла­ве «Пир». Вот как изображено его появле­ние: «Наконец загремели трубы, зазвенели дворцовые колокола, и медленным шагом вошел сам царь, Иван Васильевич. Он был высок, строен и широкоплеч. Длинная парчовая одежда его, испещрен­ная узорами, была окаймлена вдоль раз­реза и вокруг подола жемчугом и доро­гими каменьями. Драгоценное перстя­ное ожерелье украшалось финифтевыми изображениями Богоматери, апостолов и пророков. Большой узорный крест висел у него на шее на золотой цепи. Высокие каблуки красных сафьянных сапогов были окованы серебряными скоба­ми. Страшную перемену увидел в Иоанне Никита Романович. Правильное лицо все еще было прекрасно; но черты обознача­лись резче, орлиный нос стал как-то кру­че, глаза горели мрачным огнем и на челе явились морщины, которых не было преж­де. Всего более поразили князя редкие во­лосы в бороде и усах. Иоанну было от роду тридцать пять лет; но ему казалось далеко за сорок. Выражение лица его совершенно изменилось. Так изменяется здание после пожара. Еще стоят хоромы, но украшения упали, мрачные окна глядят зловещим взором, и в пустых покоях поселилось не­доброе. Со всем тем, когда Иоанн взирал милос­тиво, взгляд его еще был привлекателен. Улыбка его очаровывала даже тех, которые хорошо его знали и гнушались его злодеяниями. С такою счастливою наруж­ностью Иоанн соединял необыкновенный дар слова». Нам легко представить внешность Ива­на Грозного, поскольку перед нами сразу же встают его живописные и скульптур­ные изображения. И. Е. Репин, В. М. Вас­нецов, М. М. Антокольский и другие мас­тера уже запечатлели в нашей памяти его облик. Толстой привносит что-то новое в царский облик. Портрет вымышленного героя — князя Серебряного при всей де­тальности его изображения представить себе, быть может, труднее — он слишком обычен.
4,4(31 оценок)
Это интересно:
Новые ответы от MOGZ: Другие предметы
logo
Вход Регистрация
Что ты хочешь узнать?
Спроси Mozg
Открыть лучший ответ